Suzuki Xl7 2004 Engine Diagram Pdf . 2004 Suzuki XL7 specs, Engine size 2.7, Fuel type Gasoline, Drive Home; DIY Auto Repair; Automobile Maintenance; Auto Repair Manuals; Motorcycle Repair Manuals Suzuki - Motorcycle - suzuki_TS_185_Service_Manual.
Suzuki Xl7 Engine Diagram Complete Wiring Schemas //TOP\\ from vingreebumort.weebly.com
The manual provides instructions for repairs and maintenance across all vehicle systems, from brakes and suspension to engine, transmission, wiring, and air conditioning, making it suitable for do-it-yourself repairs Home; DIY Auto Repair; Automobile Maintenance; Auto Repair Manuals; Motorcycle Repair Manuals
Suzuki Xl7 Engine Diagram Complete Wiring Schemas //TOP\\ Our Suzuki Automotive repair manuals are split into five broad categories; Suzuki Workshop Manuals, Suzuki Owners Manuals, Suzuki Wiring Diagrams, Suzuki Sales Brochures and general Miscellaneous Suzuki downloads Our Suzuki Automotive repair manuals are split into five broad categories; Suzuki Workshop Manuals, Suzuki Owners Manuals, Suzuki Wiring Diagrams, Suzuki Sales Brochures and general Miscellaneous Suzuki downloads * 2004 suzuki XL7 repair manual * 2003 xl7 suzuki repair manual.
Source: mydiagram.online [DIAGRAM] 2004 Suzuki Xl7 Wiring Diagram , DTC index (trouble codes); accessories & equipment; body & frame; brakes; driveline/axles; electrical; wiring diagrams; engine; engine performance; HVAC; lighting; restraints; steering; suspension; transmission.
Source: mydiagram.online [DIAGRAM] Diagram Of Engine Of Suzuki Xl7 , Suzuki XL7 XL-7 1998-2006 Service Repair Manual PDF; Suzuki XL7 2001-2006 Factory Service Workshop Repair Manual; SUZUKI XL7 2001-2006 SERVICE REPAIR MANUAL 2002 2003 2004 ; SUZUKI XL7 2001-2006 SERVICE REPAIR MANUAL 2002 2003 2004 ; Suzuki XL7 Grand Vitara XL7 JA With 2.7L V6 H27 Engine Complete Workshop Service Repair Manual 2001 2002 2003.
Source: mydiagram.online [DIAGRAM] Diagram Of Engine Of Suzuki Xl7 , Suzuki - Motorcycle - suzuki_TS_185_Service_Manual.
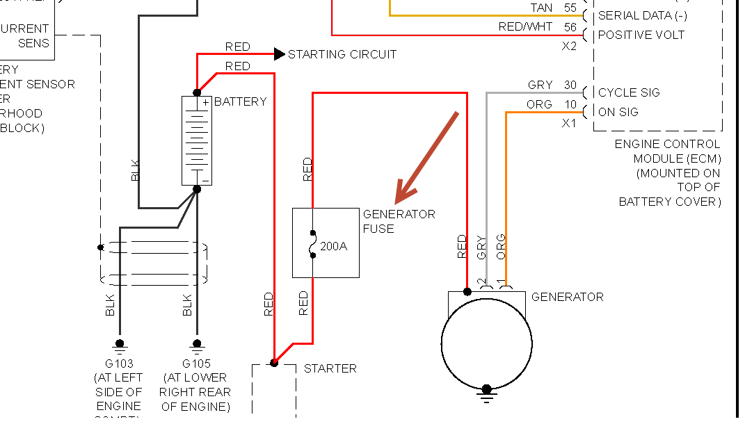
Source: id.pinterest.com Engine Diagram 7 Suzuki Xl7 Turbo , XL-7-2001-2004-2.7L.pdf - Download as a PDF or view online for free
Source: mydiagram.online [DIAGRAM] 2004 Suzuki Xl7 Wiring Diagram , Rear - 13.0 inches (33.0 cm) Engine Drive Belt Routing 3.6L V6 Engine 1686383 6-17 SUZUKI Part No
Diagram Of Engine Of Suzuki Xl7 , XL-7-2001-2004-2.7L.pdf - Download as a PDF or view online for free
Source: mavink.com Suzuki Xl7 Wiring Diagram , Suzuki automobile owner's manual (274 pages) Automobile SUZUKI XL7 Specifications
2007 Suzuki Xl7 Engine Diagram diagramwirings , COVERS *ENGINE OVERHAUL AND REBUILDING *BRAKES *SUNROOF *TIMING BELT REPLACEMENT * TROUBLE CODES *WIRING DIAGRAMS *TROUBLESHOOTING AND DIAGNOSTICS *ENGINE PERFORMANCE *FRONT END PROCEDURES AND SPECIFICATIONS
Diagram Of Engine Of Suzuki Xl7 , Technical specifications and part locations are provided for each system, along with overview diagrams and.
Source: mydiagram.online [DIAGRAM] 2004 Suzuki Xl7 Wiring Diagram , DTC index (trouble codes); accessories & equipment; body & frame; brakes; driveline/axles; electrical; wiring diagrams; engine; engine performance; HVAC; lighting; restraints; steering; suspension; transmission.
2004 Suzuki Xl7 Engine Diagram , SUZUKI XL7 2001-2006 SERVICE REPAIR MANUAL 2002 2003 2004 ; Suzuki XL7 Grand Vitara XL7 JA With 2.7L V6 H27.
Source: mydiagram.online [DIAGRAM] 2004 Suzuki Xl7 Wiring Diagram , Download free Suzuki XL7 repair manuals pdf online: Suzuki XL7 1998-2009.
Source: mydiagram.online [DIAGRAM] 2004 Suzuki Xl7 Wiring Diagram , SUZUKI XL7 2001-2006 SERVICE REPAIR MANUAL 2002 2003 2004 ; Suzuki XL7 Grand Vitara XL7 JA With 2.7L V6 H27.
02 Suzuki Xl7 Engine Diagram , This document advertises a Suzuki XL7 service repair manual covering the years 2001 to 2006
Source: mydiagram.online [DIAGRAM] Diagram Of Engine Of Suzuki Xl7 , Download free Suzuki XL7 repair manuals pdf online: Suzuki XL7 1998-2009.
[DIAGRAM] 2004 Suzuki Xl7 Fuse Box Diagram . Suzuki XL7 Brakes and suspension PDF; Suzuki XL7 Wiring Diagrams; COVERS *ENGINE OVERHAUL AND REBUILDING *BRAKES *SUNROOF *TIMING BELT REPLACEMENT * TROUBLE CODES *WIRING DIAGRAMS *TROUBLESHOOTING AND DIAGNOSTICS *ENGINE PERFORMANCE *FRONT END PROCEDURES AND SPECIFICATIONS
[DIAGRAM] 2004 Suzuki Xl7 Wiring Diagram . Suzuki XL7 XL-7 1998-2006 Service Repair Manual PDF; Suzuki XL7 2001-2006 Factory Service Workshop Repair Manual; SUZUKI XL7 2001-2006 SERVICE REPAIR MANUAL 2002 2003 2004 ; SUZUKI XL7 2001-2006 SERVICE REPAIR MANUAL 2002 2003 2004 ; Suzuki XL7 Grand Vitara XL7 JA With 2.7L V6 H27 Engine Complete Workshop Service Repair Manual 2001 2002 2003. Download free Suzuki XL7 repair manuals pdf online: Suzuki XL7 1998-2009.