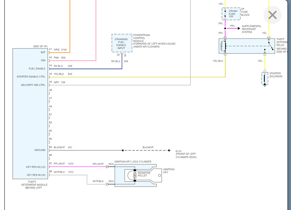
Passkey 3 Wiring Diagram Wiring Diagram Pictures

Pass Key Fault. Pass key fault 1 YouTube Jump to Latest 3.9K views 18 replies 7 participants last post by cadillacmike68 Nov 2, 2021 96 fleetwood passkey fault 96 fleetwood passkey fault

Understanding Pass Key Fault Chevy Impala 1996 SS Q&A
Understanding Pass Key Fault Chevy Impala 1996 SS Q&A from www.justanswer.com

and turn the key back on if the pass key fault light goes out the car will start 25 posts · Joined 2018 Add to quote; Only show this user #1 · Oct 30, 2021

Understanding Pass Key Fault Chevy Impala 1996 SS Q&A

Or did you install the bypass to try to correct the no-crank condition? If you leave the key turned on for 3 minutes and then crank it, it will start if it's a. Hey Everybody new to the Forum, My problem is i get a pass key fault light when i turn on the ignition i wait 3 min 25 posts · Joined 2018 Add to quote; Only show this user #1 · Oct 30, 2021

The overall structure of key fault and feature parameter extraction. This might be a easy fix if you are having "PASS key fault" lights Hey Everybody new to the Forum, My problem is i get a pass key fault light when i turn on the ignition i wait 3 min

Pass key fault 1 YouTube. The BCM and PCM must be in working order and the Passkey system. 25 posts · Joined 2018 Add to quote; Only show this user #1 · Oct 30, 2021